Ư¡
Twist ScreenÀº Vertical VibratorÀÇ 3Â÷¿ø Áøµ¿¿¡ ÀÇÇØ ¿ø·á°¡ ¼±º°Ã¼ÀÇ Á߽ɺο¡¼ ¿øÁÖ¹æÇâÀ¸·Î Áøµ¿ÀÌ¼Û ÀÚµ¿¹èÃâµÇ´Â È帧°úÁ¤¿¡¼ Wire mesh ¶Ç´Â hole size Å©±â¿¡ µû¶ó ºÐ¸® ¼±º°ÇÏ¿© ÀÚµ¿¹èÃâÇÏ´Â Áøµ¿Ã¼ÀÔ´Ï´Ù.
¿ø·á È帧ÀÇ ÇüÅÂ(°¢µµÁ¶Á¤)¿¡ µû¶ó °íÈ¿À² ¼±º°ÀÌ °¡´ÉÇÏ¸ç ´Ù´Ü½Ä ±¸Á¶·Î 1ȸ °øÁ¤À¸·Î ´Ù¾çÇÑ ÀÔÀÚ¸¦ Å©±â¿¡ µû¶ó ºÐ¸®¼±º° ÇÕ´Ï´Ù.
¿ÏÀü ¹æÁø±¸Á¶·Î ¼³Ä¡Àå¼Ò¿¡ Á¦ÇѾøÀÌ »ç¿ëÇÒ ¼ö ÀÖÀ¸¸ç ¹èÃⱸ´Â 360¢ª¹æÇ⠾À§Ä¡¿¡¼µµ ¹èÃâ°¡´ÉÇÕ´Ï´Ù.
¿ëµµ
-
- ¹ÌºÐ ¶Ç´Â ºÐ¼â¹°ÀÇ ÀÔÀÚ Å©±â¿¡ µû¶ó ¼±º°
- ½Äǰ ¹× ÀǾàǰ ¼±º°¿ë (¼³ÅÁ, ¹Ð°¡·ç, Á¦°ú¿ø·á µî)
- ±Ý¼Ó ¹× ±¤¾÷ ¿ä¾÷ µî »ê¾÷Àü¹ÝÀÇ ÀÔÀÚ ¼±º°
Áøµ¿°¢µµ¿¡ µû¸¥ ¿ø·á È帧
| 0¡Æ | 15¡Æ | 40¡Æ | 90¡Æ |
 |  |  |  |
 |  |  |  |
¼±º°ÀÌ ½¬¿î ¿ø·áÀÇ ´Ù·®Ã³¸® Á߽ɿ¡¼ Á÷¼±À̵¿ÇÏ¿© ¹èÃâ | ÀϹÝÀûÀ¸·Î °¡Àå ³Ð°Ô Àû¿ëµÊ ¿øÁÖ¹æÇâÀ¸·Î ¾à°£ÀÇ È¸Àü¿îµ¿ | Á¤¹Ð¼±º°ÀÛ¾÷, ÃÖÀûÀÇ ¼±º°ÀÌ °¡´ÉÇÑ ¿ø·áÀÇ È帧ÇüÅ | °íÁ¤¹ÐºÐ±Þ µî ¼Ò·®À» Á¤¹Ð¼±º° ¿äÇÒ¶§ ¿øÁß½ÉÀ¸·Î À̵¿ |
¿ÜÇüµµ
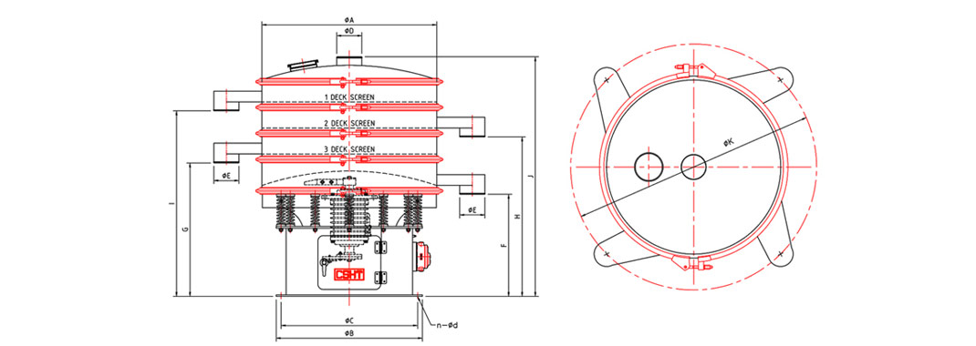
DIMENSIONS
¨ª600 Type
| Model | ¨ªA | ¨ªB | ¨ªC | ¨ªD | ¨ªE | F | G | H | I | J | ¨ªK | n=¨ªd | Power (Kw) | Weight (Kg) |
| CSTS-600-1 | 600 | 595 | 550 | 76.3 | 76.3 | 575 | 720 | - | - | 970 | 900 | 4-¨ª20 | 0.75 | 250 |
| CSTS-600-2 | 845 | - | 1110 | 280 |
| CSTS-600-3 | 845 | 969 | 1230 | 310 |
¨ª800 Type
| Model | ¨ªA | ¨ªB | ¨ªC | ¨ªD | ¨ªE | F | G | H | I | J | ¨ªK | n=¨ªd | Power (Kw) | Weight (Kg) |
| CSTS-800-1 | 800 | 745 | 690 | 114.3 | 114.3 | 574 | 749 | - | - | 1025 | 1100 | 4-¨ª20 | 1.5 | 300 |
| CSTS-800-2 | 894 | - | 1170 | 340 |
| CSTS-800-3 | 894 | 1039 | 1315 | 380 |
¨ª1000 Type
| Model | ¨ªA | ¨ªB | ¨ªC | ¨ªD | ¨ªE | F | G | H | I | J | ¨ªK | n=¨ªd | Power (Kw) | Weight (Kg) |
| CSTS-1000-1 | 970 | 815 | 760 | 139.8 | 139.8 | 569 | 744 | - | - | 1045 | 1370 | 4-¨ª20 | 1.5 | 400 |
| CSTS-1000-2 | 889 | - | 1190 | 450 |
| CSTS-1000-3 | 889 | 1034 | 1335 | 500 |
¨ª1200 Type
| Model | ¨ªA | ¨ªB | ¨ªC | ¨ªD | ¨ªE | F | G | H | I | J | ¨ªK | n=¨ªd | Power (Kw) | Weight (Kg) |
| CSTS-1200-1 | 1145 | 955 | 900 | 165.2 | 165.2 | 569 | 794 | - | - | 1115 | 1545 | 4-¨ª20 | 2.2 | 500 |
| CSTS-1200-2 | 939 | - | 1260 | 570 |
| CSTS-1200-3 | 939 | 1084 | 1405 | 640 |
¨ª1500 Type
| Model | ¨ªA | ¨ªB | ¨ªC | ¨ªD | ¨ªE | F | G | H | I | J | ¨ªK | n=¨ªd | Power (Kw) | Weight (Kg) |
| CSTS-1500-1 | 1470 | 1195 | 1140 | 216.3 | 216.3 | 569 | 813 | - | - | 1189 | 2070 | 4-¨ª20 | 2.2 | 830 |
| CSTS-1500-2 | 998 | - | 1374 | 940 |
| CSTS-1500-3 | 998 | 1183 | 1559 | 1050 |